СИ-206-М1
Доступен для скачивания
краткий каталог продукции:
Счетчик импульсов СИ-206-М1 с ручным сбросом показаний и блокировкой для защиты от сброса показаний предназначен для суммирования электрических импульсов практически прямоугольной формы
- Особенности:
- Электромеханический счетчик
- Подсчитывает количество собственных включений (подач напряжения на вход)
- Блокировка для защиты от сброса
| Параметр
| Значение | |
| Диапазон счета
| 0…999 999 | |
| Напряжение питания
| ~220 В, ~110 В или =24 В
| |
| Колебание напряжения питания
| ±10%
| |
| Потребляемая мощность
| для счетчиков переменного тока | 4 Вт
|
| для счетчиков постоянного тока | 3 Вт | |
| Предел допускаемой основной абсолютной погрешности при непрерывном счете
| ≤10 единиц от контрольного числа
(контрольное число 105−1) | |
| Быстродействие
| до 20 имп./с
| |
| Минимальная длительность импульса
| 20 мс
| |
| Минимальная длительность паузы
| 25 мс
| |
| Количество разрядов
| 6
| |
| Срок службы
| ≥ 6 лет
| |
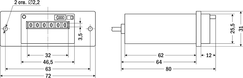
| Высота символов | 3,5 мм | |
| Размер монтажного отверстия | 47×26 мм | |
| Габаритные размеры | 31×72×80 мм | |
| Вес
| 170 г
| |
| Габаритные размеры |
![]() |
Версия: 2022-11-17-ЛВС
| Документ | Дата обновления |
| Паспорт на СИ-206-М1 | 18.11.2022 |
